Welcome to Feihong Semiconductor official website, pure domestic IGBT e-mail: feihongbcok@gmail.com

FHP60R190AF/FHF60R190AF/FHA60R190AF

Release time:2019-10-17 17:50:52

Industry generic name:SPP20N60C3Wait

View Specifications >
  • Feihong 60R190FA,N-channel Cool-MOS tube, mainly used in switching power supply. Other MOS tube brand alternative models: SPP20N60C3, etc.

Obtain free product samples

Your salutation:
Contact Information:
Product sample:

Product Parameters

Part Number Polarity Package PIN Vgs(±V) VTH(V) ID(A) BVdss(V) Rds(on)(Ω) With FRD Diode
Model Polarity Encapsulation form Foot arrangement Vgs=10v
(typ)
Vgs=10v
(max)
FHP60R190AF/FHF60R190AF/FHA60R190AF
N
TO-220 TO-220F TO-3PN/TO-247
GDS
30
2~4
20
600
160
190
Yes

Product Details

【Product Introduction】

Feihong 60R190FA, N-channel Cool-MOS tube, mainly used in switch power supplies. Other MOS tube brand alternative models: SPP20N60C3, etc.


【Product Features】

FHP60R190FA/FHF60R190FA, low on-resistance, less switching loss.




【Application Examples】




【Product Advantages】 

High reliability, good consistency

Hot Tags: CS160N06 | HY3906P | IRFB7537PBFDomestic FHP230N06VSubstitute IPP030N10N3GSubstitute HY3906P model

FHP60R190AF/FHF60R190AF/FHA60R190AFProduct Application Articles

Why choose Feihong

omni-directionalmarketing service system,15+YearFAEExperience technical support

Feihong Semiconductor focuses on R & D and production of power devices

MOS FET/IGBT Single Tube/Diode/Triode

Free sample:feihongbcok@gmail.com

WeChat sweep, direct communication!

Super junction MOSFET Product Application Articlesmore>
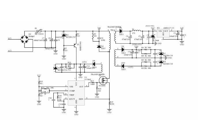
Common Circuit Solutionsmore>

Related Product recommend

  • FHP80N07E/FHS80N07E/FHD80N07E

    Free sample
    Join List
  • FHP18N25W/FHF18N25W

    Free sample
    Join List
  • FHP80N07L

    Free sample
    Join List
  • FHD80N08C

    Free sample
    Join List
  • FHP40N25W/FHF40N25W/FHA40N25W

    Free sample
    Join List
  • FHP10N70W/FHF10N70W

    Free sample
    Join List
  • FHP20N60W/FHF20N60W/FHA20N60W

    Free sample
    Join List
  • FHP3205C/FHD3205C

    Free sample
    Join List
  • FHA24N60W

    Free sample
    Join List
  • FHF18N50C

    Free sample
    Join List
  • FHA064NA

    Free sample
    Join List
  • FHP25N40W/FHA25N40W

    Free sample
    Join List
    • Feihong Semiconductor has provided one-stop MOS tube solutions for enterprises in the field of 10000 electronics. | e-mail : feihongbcok@gmail.com
      Feihong Semiconductor has provided one-stop MOS tube solutions for enterprises in the field of 10000 electronics. 关闭

      put it away

      Click to apply
      Free sample